Схемы подключения ОВЕН ПЛК110-30
Схема расположения и назначение клемм на ПЛК110-220.30.К. Схема для ПЛК110-24.30.К - аналогична
Схема расположения и назначение клемм на ПЛК110-220.30.Р
Схемы подключения ОВЕН ПЛК110-32
Схема расположения и назначение клемм на ПЛК110-220.32.К. Схема для ПЛК110-24.32.К - аналогична
Схема расположения и назначение клемм на ПЛК110-220.32.Р. Схема для ПЛК110-24.32.Р - аналогична
Схемы подключения ОВЕН ПЛК110-60
Схема расположения и назначение клемм на ПЛК110-220.60.К. Схема для ПЛК110-24.60.К - аналогична
Схема расположения и назначение клемм на ПЛК110-220.60.Р. Схема для ПЛК110-24.60.Р - аналогична
Подключение входных устройств и схемы входных элементов контроллера ПЛК110

Схема подключения контактных датчиков (Sl-Sn) к входам ПЛК110
Обе схемы равнозначны, может использоваться любая. При применении контактных датчиков совместно с датчиками, имеющими на выходе транзисторный ключ, схема подключения должна определяться типом транзисторных датчиков.
Подключение к дискретным входам датчиков (F1–Fn), имеющих на выходе транзисторный ключ n-p-n–типа
Подключение к дискретным входам датчиков, имеющих на выходе n-p-n - транзисторный ключ
Суммарный ток потребления всех внешних датчиков и всех подключенных дискретных входов (7 мА на вход) не должен превышать 620 мА. Если потребление датчиков и входов больше указанного, то для питания датчиков следует использовать внешний блок питания требуемой мощности.
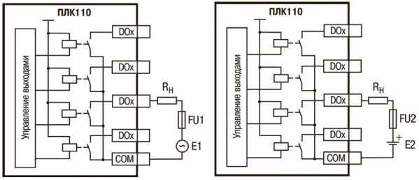
Выходные элементы типа Р контроллера с внешними цепями защиты при активной нагрузке, Rн – пользовательская нагрузка (двигатель, нагреватель, контактор и т.д.)
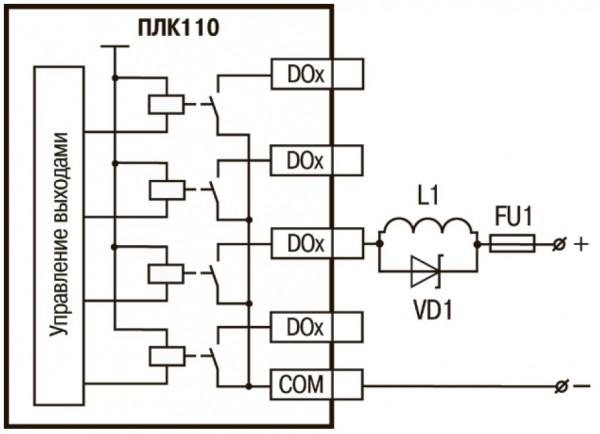
Подключение цепей защиты при реактивной нагрузке
Кабели
| КС1 |  | Применяется для прошивки и программирования контроллеров: - ПЛК110 (порт RS-232 DEBUG) | 1,5 2,7 |
| КС2 |  | Применяется для соединения контроллеров ПЛК110 (порты RS-232 DEBUG и RS-232) с панелями оператора ИП320 (порт RS-232), СП270, СП307, СП310 (порт PLC, RS-232) | 1,5 2,7 |
| КС3 |  | Применяется для соединения контроллеров ПЛК110 (порты RS-232 DEBUG и RS-232) с модемом ПМ01[M02] (порт RS-232, соединитель Х2) | 1,5 |